42 craftsman lt2000 drive belt diagram
PDF Craftsman Lawn Tractor Repair Manual Deck V-Belt Replacement #532429636 Craftsman Lawn Tractor - Parts machine Craftsman transmission repair rebuild part 2 Lawn Mower REPAIR Auto Choke Briggs and Stratton Sears Craftsman fix engine won't start spring Riding Lawn Mower Doesn't Crank or Click CRAFTSMAN Lawn \u0026 Garden Tractor Use and Maintenance Guide -VHS, 1999 [1 of 3] DoItYourself.com Community Forums by OMG_DRIVE 04-08-22 06:47 PM. 195. 1,039. sam floor. Rugs, Carpets and Carpeting (9 Viewing) Professional Advice. All types, styles, materials, selection, installation, padding & repair. Need advice on area rug in... by 2john02458 03-19-22 12:06 PM. 1,456. 6,473. Wall and Flooring Indoor Tiling
My husband just bought a cube cadet electric tractor he has… I need to pull up a diagram to see exactly where the fuse is located on the battery model. Ask Your Own Small Engine Question. Customer reply replied 2 ... I have a cub cadet lgtx 1054 that just stopped moving while I was mowing. it has a new drive belt. ... I own a Craftsman LT2000 lawn tractor, which I share with my uncle, who lives next door

Craftsman lt2000 drive belt diagram
PDF Owners Manual Craftsman Lawn Tractor Model 944605281 REPAIR CRAFTSMAN R110 Riding Lawn Mower Craftsman LT1000 Lawn Tractor Overview/Start/Drive Riding Mower Deck Belt Diagrams DIY Repair Manual AYP - MTD, John Deere, Sears Craftsman ... Craftsman Lawn Tractor Deck Blade Belt ... View and Download Crafstman LT 2000 operator's manual online. 21 HP, Variation Speed 46 Deck. ... lt2000parts.com › craftsman-lt2000-parts-diagramCraftsman LT2000 Parts Diagram Craftsman LT2000 Parts Diagram LT 2000 Parts View or print the Sears Craftsman LT2000 Parts List. The LT2000 model was sold by Sears Company under the brand of Craftsman for many years. If you need the Sears Craftsman LT2000 Parts List, we have provided it below. Click here to view LT 2000 Parts Listing View the Craftsman LT 2000 Manual PDF Craftsman Riding Mower Model 917 Repair Manual Craftsman LT2000 mower deck belt Sears Lawn Tractor review Craftsman Riding Mower Won't Self-Propel? Drive Belt #532125907 Find The Year Of Your Craftsman Lawn Mower Changing the Oil in a Riding Lawn Mower Lawn Mower Tune Up Craftsman 917 374352 Craftsman Riding Lawnmower Revival [Part 1 of 2] Craftsman Riding Mower Model 917 "craftsman model ...
Craftsman lt2000 drive belt diagram. Golf Carts For Sale, Gas Electric Golf Cart, Club Car Sale ... Check out this Gas Golf Cart EFI UTV Buck 200cc 2 Seater Utility Vehicle - BUCK 250! Call 1-866-606-3991 for more information! Check out this Four Passenger LE Red Electric Golf Car Small LSV Low Speed Vehicle Golf Cart 4 Seater 60v Coco Coupe Scooter Car With AC & Heat - RED! PDF John Deere 757 Engine Acces PDF John Deere 757 EngineJohn Deere 757 Engine Recognizing the artifice ways to acquire this ebook john deere 757 engine is additionally useful. You have remained PDF Craftsman Parts Manual Parts Rebuild Kit Spindle Assemblies Blades Belt Idler Pulleys. Craftsman Yt 3000 Parts Diagram Craftsman parts Craftsman makes a wide variety of tools and equipment for everyday use. After a while, these tools can wear down. Rather than tossing your tools out, you can often restore them to like-new condition with basic replacement parts. Craftsman Yt 4000 Belt Diagram - craftsman yt 4000 parts ... Craftsman Yt 3000 Belt Diagram, Craftsman Model 917288520 Lawn Tractor Genuine Parts, Craftsman Ys4500 Drive Belt Diagram Kidsshoespop, Craftsman Yt 3000 Parts Diagram Free Wiring Diagram, Feeds.canoncitydailyrecord.com is an open platform for users to share their favorite wallpapers, By downloading this wallpaper, you agree to our Terms Of Use ...
Gravely Zt 50 Manual - constructivworks.com 915150 ZT-50 Lawn Mower User Manual Open as PDF of 38 21 E NGINE, EXHAUST, BELTS AND I DLERS Model 915146, 148, 150, 168, 170 Item Part No. Qty. Description 1 08200638 1 Engine, 16.5 HP Briggs and Stratton Intek without Muffler (915146, 168) 08200717 1 Engine, Kawasaki FR691 23HP (915148, 170) Parts Manual Craftsman Riding Mower Reviews: What To Know | ConsumerAffairs Craftsman, an 88-year-old tool company, creates quality mowers for residential use. This lawn and garden equipment company, a Sears subsidiary, offers entry-level and mid-range riding mowers and ... PDF Autodrive Lawn Tractor Models Lt 18g White Canada How to replace Craftsman LT2000 mower deck beltBest and Worst Lawnmowers of 2018 \u0026 2019-Plus Kicked out of the Scag booth How to Put Dualie Tires on a Mower ... How to Change the Upper Drive Belt on MTD Gold Lawn Mower - Bolens or Yard Machines MTD Yard Machines 38 inch mower deck installation and removal. Craftsman Riding Lawn PDF Craftsman Yt 4500 Owners Manual - redraiders.com Replace the Ground Drive / Transaxle Belt on a Craftsman YT4500 Lawn Tractor Craftsman YS4500 Lawnmower Routine Maintenance Craftsman ... manufacturer-approved parts for a proper fit every time! We also have installation guides, diagrams and manuals to help you along the way! +1-888-873-3829. Chat (offline) Sears Parts Direct. Please enter one ...
PDF Owners Manual Craftsman Riding Lawn Tractor Tips \u0026 tricksRiding Mower Deck Belt Diagrams DIY Repair Manual AYP - MTD, John Deere, Sears Craftsman Where to get good repair manuals CRAFTSMAN 42\" MOWER REPAIR John Deere Stx30 Stx38 Stx46 Lawn And Garden Tractor Repair - PDF DOWNLOAD Cratfsman Lawn Mower T110 \"Review\" Yazoo Red Rider - Video Book Factory Parts \u0026 Service Reviewmotors.co Suzuki Access 125 Bs6 Spare Parts Online. April 30, 2022 0. For your suzuki suzuki access 125 spare parts and suzuki access 125 new model old new suzuki access 125 spare parts For Your Suzuki Suzuki Access 125 Spare Parts And Accessories In India Zigwheels …. Read More. Craftsman Lt1000 Manual - start.daymarcollege.edu Cutting Deck Mower Drive Belt Fits 42 Craftsman Lt1000 Lt200 Lawn Mower Steering Parts 1bf63 Craftsman Lt2000 18 Hp Manual Wiring Library Wrg 4423 Signature …Jul 01, 2016 · ... 144959 42" Deck Belt - LT1000 LT2000 LT3000 DYT4000 Husqvarna ZRT 4218 4.5 out of 5 stars (146) 146 product ratings - Craftsman 144959 42" Deck Belt - LT1000 LT2000 PDF Craftsman Mower 917 Manual Easy Deck Belt Install on Craftsman 917 series tractor 42 inch deck Gates 6895 Sears 144959 BeltHow to replace Craftsman LT2000 mower deck belt CRAFTSMAN 42\" MOWER REPAIR Craftsman Mower Repair-part 1 ... 'No Start'; Diagnosis 2009 Craftsman YTS 3000 drive speed slow make Fast Hydrostatic T2 Tranmission ... diagrams and manuals to help you ...
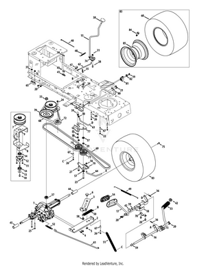
› transmission-drive-assembly-9Craftsman 247.288841 (13AJ78SS099) - Craftsman LT2000 Lawn ... LT2000 Lawn Tractor Transmission Drive Assembly Parts Diagram 1 MTD Part# 918-04566 Dr Assembly, Autodrive Lt-5 (Superseded to 918-04566B) Usually ships in 5 to 10 days $ 581.44 Add to Cart 0 2 MTD Part# 683-04606 Auto-drive Bracket Assembly Not available 3 MTD Part# 753-06662 Idler Bracket Assembly In Stock, Qty 6 $ 18.58 Add to Cart 0 4
PDF Craftsman Lt1000 Riding Mower Owner Manual Overview/Start/Drive How To Maintain a Craftsman LT1000 Riding Lawnmower CRAFTSMAN LT1000 BRIGGS 16HP 42\" ... CRAFTSMAN 19.5HP 42\" LT2000 LAWN Page 7/56. Download Free Craftsman Lt1000 Riding ... Spindle Replacement 42 Deck Craftsman LT1000 mower deck repair Tighten the Blade Belt and Level the Deck Riding Mower Lawn Page 8/56. Download Free ...
PDF Hp Craftsman Lt1000 Manual Tractor Overview/Start/Drive Craftsman riding mower is it any good? Craftsman R110 Lawn Mower TEST AND REVIEW! CRAFTSMAN R110 Riding Lawn Mower Cratfsman Lawn Mower Page 2/16. Download Free Hp Craftsman Lt1000 Manual ... LT 2000 operator's manual online. 21 HP, Variation Speed 46 Deck. LT 2000 lawn
PDF Craftsman Riding Mower Parts Manual - esanjoaquin.com Fix On A Craftsman LT 3000 Lawn Tractor Transmission adjustment Checking out the 2005 Craftsman DLT3000 tractor we got for free (Sept. 2012)How To Remove and Restore 42\" Mower Deck Sears Craftsman Riding Mower How to replace both drive and deck belts on a Craftsman riding mower. Craftsman Lawn Tractor Deck Blade Belt Replacement
theaustle.com › craftsman-riding-mower-drive-beltCraftsman Riding Mower Drive Belt Diagram- A Step By Step ... Engine fires→ Engine Shaft turns→ the first Pulley turns→ the Drive Belt moves→ the second Pulley turns→ Transmission shaft turns. Now what happens next is, the transmission shafts transfer the power to the drive wheels of your mower. Therefore, the transmission gets the power means the mower can move.
PDF Craftsman Lt2000 Manual LT3000lt2000 drive belt install how to Craftsman lawn tractor gear drive transmission Page 5/46. Read Book Craftsman Lt2000 Manual resurrection Craftsman Riding ... Craftsman LT 2000 Parts. Craftsman LT2000 Manual Page 14/46. Read Book Craftsman Lt2000 Manual Manuals and User Guides for Crafstman LT 2000. We have 1
diagramonlinesources.netlify.app › craftsman-ltCraftsman Lt2000 Mower Drive Belt Diagram - Diagram Niche Ideas Hitta de bästa kostnadsfria bilderna med craftsman riding mower drive belt diagram. Blades & spindles kit fits 42 craftsman lt1000 lt2000 134149. Craftsman 6500 26 hp 54 inch mower belt routing diagram. This video shows how to replace the deck belt on an lt2000 tractor, but this also applies to the lt1000 and many other models.
PDF Craftsman Riding Mower Model 917 Repair Manual Craftsman LT2000 mower deck belt Sears Lawn Tractor review Craftsman Riding Mower Won't Self-Propel? Drive Belt #532125907 Find The Year Of Your Craftsman Lawn Mower Changing the Oil in a Riding Lawn Mower Lawn Mower Tune Up Craftsman 917 374352 Craftsman Riding Lawnmower Revival [Part 1 of 2] Craftsman Riding Mower Model 917 "craftsman model ...
lt2000parts.com › craftsman-lt2000-parts-diagramCraftsman LT2000 Parts Diagram Craftsman LT2000 Parts Diagram LT 2000 Parts View or print the Sears Craftsman LT2000 Parts List. The LT2000 model was sold by Sears Company under the brand of Craftsman for many years. If you need the Sears Craftsman LT2000 Parts List, we have provided it below. Click here to view LT 2000 Parts Listing View the Craftsman LT 2000 Manual
PDF Owners Manual Craftsman Lawn Tractor Model 944605281 REPAIR CRAFTSMAN R110 Riding Lawn Mower Craftsman LT1000 Lawn Tractor Overview/Start/Drive Riding Mower Deck Belt Diagrams DIY Repair Manual AYP - MTD, John Deere, Sears Craftsman ... Craftsman Lawn Tractor Deck Blade Belt ... View and Download Crafstman LT 2000 operator's manual online. 21 HP, Variation Speed 46 Deck. ...
Comments
Post a Comment