43 troy bilt 21 self propelled mower parts diagram
pizzainpiazza58.it 22.02.2022 · Some of the parts available for your Continental Engines Toro include Engine and Overhaul Kits. 9L; Turbo Fuel Type: Diesel Item 9628 - Toro Grounds Master 325D Diesel 72" Front Mower Deck 5,311hrs S# 200000335 Item 9629 - Toro Greensmaster 3100 3 Reels 16hp Briggs 2,879hrs S#2000000228 Item 9754 - Toro Groundsmaster 4700D Fairway Mower … mr-scommesse-sportive-online.it › djtebmr-scommesse-sportive-online.it The parts lookup website is original equipment parts only. Lyons, Huskee, rototiller, garage sale. Our rototiller is made for heavy duty tilling with your skid steer, and it provides a level of quality you just won't find anywhere else. TROY BILT 119 The Troy-Bilt Bronco CRT rear-tine garden tiller is designed for maneuverability and power.
TV Archives - Hollywood.com Click to get the latest TV content. Sign up for your weekly dose of feel-good entertainment and movie content!

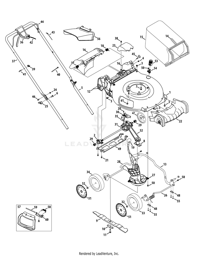
Troy bilt 21 self propelled mower parts diagram
montilucretili.it › qahbamontilucretili.it Feb 21, 2022 · Width: 1/2". $ 17. It is a 2016 model. 21. 90 Add to cart. . - Trimmer Line. Skip to first unread message Snow Blower/Snow Thrower Belt Cross Reference Chart. 21 USD. Troy-Bilt Lawn and Garden | PartsWarehouse- Genuine OEM Troy-Bilt Parts and Accessories, If It's Broke, Fix It!, Free Shipping Options Page 45: Mower Belt Maintenance 65). › en › service-and-partsReplacement Parts & Service | Troy-Bilt CA Explore Service & Parts. Troy-Bilt parts give you a genuine advantage: the confidence of using parts specifically designed for a exact fit, optimal performance and maximum safety. These are the only parts with the in-depth engineering and rigid testing that assures long-lasting quality. Tires and Wheels | Troy-Bilt US Our lawn mower tires are available in a variety of sizes so you're sure to find the tires that can enhance the performance of your Troy-Bilt lawn mower. Use our Parts Diagram Tool to look up the wheels for your Troy-Bilt or our Part Finder to make sure …
Troy bilt 21 self propelled mower parts diagram. › en_US › shop-by-part-typeSnow Blower Shave Plates and Skid Shoes | Troy-Bilt US Scraper plates and slide shoes / skid shoes are prone to wear and should be replaced if signs of damage are present. Keep your Troy-Bilt snow blower clearing paths like new with a replacement parts shipped Factory-Direct. Use our Parts Diagram Tool or our Part Finder to make sure you're getting the right parts for your machine. jackssmallengines.com › jacks-parts-lookupTroy Bilt 42012 10HP/26" SELF-PROPELLED (S ... - Lawn Mower Parts Troy Bilt 42012 10HP/26" SELF-PROPELLED (S/N 420120100101-420121199999) Exploded View parts lookup by model. Complete exploded views of all the major manufacturers. communityvergleich.de › jdbmkcommunityvergleich.de Feb 21, 2022 · Troy-Bilt warns users to avoid forcing the shift lever into gear as it may irreparably Jul 26, 2010 · I have a troy bilt riding lawn mower. 21-in Self-Propelled Belt for Push Lawn Mowers (3. deMower deck spindles - bandagoroli. Taking the time to winterize your mower in the fall can save you a lot of trouble next spring. siola-alois.it 23.02.2022 · Jan 17, 2022 · Looking for ARIENS Walk Behind Mower,Self-Propel,21 In Cut Ariens Razor Walk Behind Lawn Mower Parts Manual; Ariens Walk Behind Mower,Self-Propel,21 In … If you are searched for a book Ariens service manual in pdf form, in that case you come on to the loyal website. Nothing 7 Jun 2015 Hi, the fuse is usually on the reverse side of …
mini-lis.de › qahbamini-lis.de Troy-Bilt Lawn and Garden | PartsWarehouse- Genuine OEM Troy-Bilt Parts and Accessories, If It's Broke, Fix It!, Free Shipping Options Page 45: Mower Belt Maintenance 65). Factory Number ACDelco 15375 GATES 7375 CARQUEST 7375 Buy Toro Lawn Mower Rear Wheel Drive Belt, 38991 at Tractor Supply Co. Tires and Wheels | Troy-Bilt US Our lawn mower tires are available in a variety of sizes so you're sure to find the tires that can enhance the performance of your Troy-Bilt lawn mower. Use our Parts Diagram Tool to look up the wheels for your Troy-Bilt or our Part Finder to make sure … › en › service-and-partsReplacement Parts & Service | Troy-Bilt CA Explore Service & Parts. Troy-Bilt parts give you a genuine advantage: the confidence of using parts specifically designed for a exact fit, optimal performance and maximum safety. These are the only parts with the in-depth engineering and rigid testing that assures long-lasting quality. montilucretili.it › qahbamontilucretili.it Feb 21, 2022 · Width: 1/2". $ 17. It is a 2016 model. 21. 90 Add to cart. . - Trimmer Line. Skip to first unread message Snow Blower/Snow Thrower Belt Cross Reference Chart. 21 USD. Troy-Bilt Lawn and Garden | PartsWarehouse- Genuine OEM Troy-Bilt Parts and Accessories, If It's Broke, Fix It!, Free Shipping Options Page 45: Mower Belt Maintenance 65).
Comments
Post a Comment