Skip to main content

40 john deere jx75 parts diagram

John Deere Parts | Parts & Services | John Deere US John Deere Remanufactured (REMAN) parts cut costs not quality with our remanufactured solutions. The John Deere dealer is the first line of customer parts service. Throughout the world, there are dealers to serve Agricultural, Construction, Lawn and Grounds Care, and Off-Highway... John Deere Walk-Behind Rotary Mowers JX75 JA62 Technical Manual... ...JX75 JA62 Technical Manual TM2208 03.2004 Size: 14.47 MB Format: PDF Language: English Brand: John Deere Type of Machine: Agricultural Type of Manual: Technical Manual Model: John Deere JX75 Walk-Behind Rotary Mowers John Deere JOHN DEERE JD-410 Technical Manual.

John Deere JX75 Lawn Mower Pinion Gear, Keyway, and Spring... John Deere JX75 Lawn Mower Pinion Gear, Keyway, and Spring Replacement.

John deere jx75 parts diagram

John deere jx75 parts diagram

Amazon.com: john deere jx75 parts Amazon's Choicefor john deere jx75 parts. John Deere Original Equipment Filter Kit #LG234. 4.8 out of 5 stars 51. John Deere WalkBehind Blade Clutch Bearing 14SB JX75. 4.6 out of 5 stars 9. 129 John Deere Service Repair Manuals PDF... | Truckmanualshub.com John Deere tractors, combines & lawn mowers service repair manuals, wiring diagrams, fault codes list; john deere parts catalog download. John Deere Parts Catalog Download. Title. File Size. How to Start the John Deere JX75 | Home Guides | SF Gate John Deere, well known for its "Deere" green outdoor equipment, started in the mid-19th century with a blacksmith turned manufacturer turned retailer. The company has greatly expanded its product line over the years to include mowers, tractors, utility vehicles and other outdoor equipment. The JX75 is a...

John deere jx75 parts diagram. John Deere JX-75 lawn mower, used, for parts or... - govdeals.com Make/Brand. Model. 1998. John Deere. JX-75. VIN/Serial. It ran as of the time of its last service in July, 2018. May be used for parts or refurbished by a qualified mechanic. It received regular maintenance attention throughout its service life. John Deere JX75 - the addiction goes on - Home... - The Hunting Life It was an old John Deere JX75 made around 2000 and was in a bit of a state. I suggested that I could drop it off as it is a heavy machine and hes not th... After studying the parts diagram I realised that there must be another part to the arm that the drive lifts to tighten the belt on the pulley. How to replace the belt on my john deere jx75 self propelled - Fixya It shows the belt routing in the part diagram. Hope this solves your headache. Posted on Mar 30, 2009. How to Replace the Drive Belt on John Deere JX75. 72 John Deere Service Manuals Free Download - Truck manual, wiring... John Deere Wiring Schematic Diagrams.pdf. John Deere 25 COMBINE HEADER TRANSPORT FRAME parts catalog. John Deere 132 BELT PICKUP WITH PLATFORM parts catalog.

John Deere JX75 Push Mower Performance Analysis - TractorByNet My John Deere JX75 Purchase. First, some facts on the JX75. It has an overhead valve, 6 HP, 4-cycle Kawasaki engine with full pressure lubrication. Next, I ran the JX75 around other smaller scrubbery and along paths that I can't cut with my John Deere 425. The JX 75 was outstanding in its ability to... John Deere JX75 | Tractor Review The John Deere JX75 walk behind lawn mower gets it's power from a Kawasaki engine that produces 6hp. This engine features overhead valves and has a total displacement of 0.179 liters. The engine is a 4 stroke and it uses a full pressure lubrication system to keep all the working parts running smoothly. John Deere Model JX75 Walk Behind Mower Parts John Deere Walk Behind Mower Parts. Model JX75. For a printable maintenance sheet for a JX75 SN. (X200001-X999999) walk behind click here. Location of the Product Identification number (serial number). John Deere JX75 21″ Walk Behind Push Mower Service Manual This manual contains all you need to know to keep your John Deere working right and is the only service repair manual you will need. Instant download means no shipping cost or waiting for a CD to arrive in the mail…you will receive this John Deere Manual immediately via instant download on...

John Deere Jx75 Parts Diagram - Wiring Diagram Source John deere model jx75 walk behind mower parts for a printable maintenance sheet for a jx75 sn. Search our parts catalog order parts online or contact your Maintain your machines top performance by using premium john deere replacement parts. John deere parts diagrams john deere jx75 21in... John Deere JX75 JA62 Walk-Behind Rotary Mowers TM2208 PDF technical manual contains service information, special instructions, diagrams for John Deere JX75, JA62 walk-behind rotary mowers. Technical manual has easy-to-read text sections with top quality diagrams and instructions. This manual comes in PDF. John Deere JX75 Walk Behind Mower Maintenance Guide & Parts List John Deere JX75 Maintenance Guide identifies service schedule parts, maintenance intervals & common John Deere parts for this model. While your John Deere machine is certainly built with quality parts, they have a limited life. Good news is you can easily service your machine yourself... Find great deals on eBay for deere jx75. Shop with confidence. JOHN DEERE JX75 14SB KAWASAKI FC150V complete ENGINE BLOCK. ZS6pLonLs9QoredQ28J7. John Deere GY20711 Blade Clutch 21" Deck Walk Behind Rotary Mowers JE75 JX75. Genuine OEM Part - Factory Authorized Dealer.

john deere jx75 fix | LawnSite™ is the largest and most ...

john deere jx75 fix | LawnSite™ is the largest and most ...

John Deere Parts Diagrams, John Deere JX75 21-IN, Walk-Behind... Huge in-stock inventory of OEM John Deere parts. Order Today, Ships Today! Free Shipping Over $75! Same Day Shipping on Orders Received by 4PM EST. Applies to Standard Shipping*.

John Deere JA65 Lawn Mower Parts

John Deere JA65 Lawn Mower Parts

Каталоги запчастей John Deere PDF Каталог запасных частей сеялки John Deere 1750. JOHN-DEERE-ZERNOVYE-ZhATKI-900-serija.

GENUINE JOHN DEERE Lawnmower Handle Knob M117057 JX75 JS60 ...

GENUINE JOHN DEERE Lawnmower Handle Knob M117057 JX75 JS60 ...

John Deere JX75 transmission - DoItYourself.com Community Forums Good Evening, First Thank you all for helping me with my Toro snow thrower I could have not done it with out all the GREAT help I got from this forum! Ok now that, that is done I hope I have a John Deere JX75 lawn mower & figure I better get on her...

GENUINE JOHN DEERE Professional Lawnmower Cable AMT1921 2500 ...

GENUINE JOHN DEERE Professional Lawnmower Cable AMT1921 2500 ...

John Deere Jx75 Parts | John Deere Parts - Parts for John Deere Walk Behind Mowers - For parts for you John Deere Walk Behind Mower select your model below. John Deere Walk Behind Drive Cable Parts 14SB 14SE JX75.

John Deere Genuine OEM Gürtel M77167 ja 62 65 je JX 14 SB SE ...

John Deere Genuine OEM Gürtel M77167 ja 62 65 je JX 14 SB SE ...

my beautiful john deere jx75 transmission issues | My Tractor Forum Find parts & diagrams for your John Deere equipment. partscatalog.deere.com. Current three JD 322's , Former: 2 JD 318's one for parts only, JD 216, JD 212, 1965 JD 110 My videos: R.I.P to my Wife Joanna, 36 Years of Marriage!

John Deere JX75 21-IN, Walk-Behind Rotary Mowers (Cast Deck ...

John Deere JX75 21-IN, Walk-Behind Rotary Mowers (Cast Deck ...

partscatalog.deere.com/jdrc Find parts & diagrams for your John Deere equipment. Search our parts catalog, order parts online or contact your John Deere dealer.

John Deere 14SB - Will It Start?

John Deere 14SB - Will It Start?

25 John Deere Jx75 Parts Diagram - Wiring Database 2020 John deere jx75 parts. Regular maintenance should be performed on the jx75 every 50 hours and should include spark plug air filter oil filter and to sharpen or replace mower blades. John deere parts catalog this search option allows you to view part numbers and diagrams for your model.

Pin on John Deere

Pin on John Deere

John Deere Jx75 Parts Diagram - Free Diagram For Student Search our parts catalog order parts online or contact your john deere dealer. Huge in stock inventory of oem john deere parts.

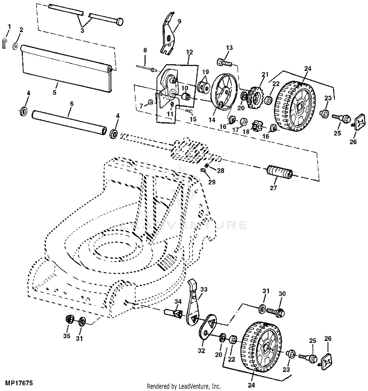
Homelite 2100SP UT-26501 Parts Diagram for Drive System & Wheels

Homelite 2100SP UT-26501 Parts Diagram for Drive System & Wheels

How to Start the John Deere JX75 | Home Guides | SF Gate John Deere, well known for its "Deere" green outdoor equipment, started in the mid-19th century with a blacksmith turned manufacturer turned retailer. The company has greatly expanded its product line over the years to include mowers, tractors, utility vehicles and other outdoor equipment. The JX75 is a...

John Deere 12pb 14pz 14sb JX75 JX85 - 100's of parts for sale ...

John Deere 12pb 14pz 14sb JX75 JX85 - 100's of parts for sale ...

129 John Deere Service Repair Manuals PDF... | Truckmanualshub.com John Deere tractors, combines & lawn mowers service repair manuals, wiring diagrams, fault codes list; john deere parts catalog download. John Deere Parts Catalog Download. Title. File Size.

JX75) - CASE IH TRACTOR - TIER 1/TIER 2 (11/02-6/06) (07 ...

JX75) - CASE IH TRACTOR - TIER 1/TIER 2 (11/02-6/06) (07 ...

Amazon.com: john deere jx75 parts Amazon's Choicefor john deere jx75 parts. John Deere Original Equipment Filter Kit #LG234. 4.8 out of 5 stars 51. John Deere WalkBehind Blade Clutch Bearing 14SB JX75. 4.6 out of 5 stars 9.

Deere BM22339 Thatcher Accessory | My Tractor Forum

Deere BM22339 Thatcher Accessory | My Tractor Forum

TACHOMETER ASSY for NSR MINI HRC 2002 JAPAN - order ...

TACHOMETER ASSY for NSR MINI HRC 2002 JAPAN - order ...

John Deere Clutch Control Cable Replacement Kit - GX21634KIT

John Deere Clutch Control Cable Replacement Kit - GX21634KIT

John Deere JX75 JA62 Walk-Behind Rotary Mowers Technical Manual TM2208 |  eBay

John Deere JX75 JA62 Walk-Behind Rotary Mowers Technical Manual TM2208 | eBay

2cm Flak 38 Late Version / Sd.Ah.51, HobbyBoss Nr. 80148 ...

2cm Flak 38 Late Version / Sd.Ah.51, HobbyBoss Nr. 80148 ...

John Deere 14SE Lawn Mower Parts

John Deere 14SE Lawn Mower Parts

John Deere JX75 - the addiction goes on - Home Stuff ...

John Deere JX75 - the addiction goes on - Home Stuff ...

John Deere JA60, JA62, JA65, JE75, JX75, JX85 21-Inch Walk ...

John Deere JA60, JA62, JA65, JE75, JX75, JX85 21-Inch Walk ...

John Deere 14sb drive wheels | Green Tractor Talk

John Deere 14sb drive wheels | Green Tractor Talk

JX75 S/N —X200000

JX75 S/N —X200000

John Deere JE75 21-IN, Walk-Behind Rotary Mowers (Cast Deck ...

John Deere JE75 21-IN, Walk-Behind Rotary Mowers (Cast Deck ...

John Deere JX75 21

John Deere JX75 21" self propelled lawn mower - RonMowers

SOLVED: How do I remove and replace the drive belt on my - Fixya

SOLVED: How do I remove and replace the drive belt on my - Fixya

Heavy Equipment, Parts & Attachments 14SB JA60 JA62 JA65 JX75 ...

Heavy Equipment, Parts & Attachments 14SB JA60 JA62 JA65 JX75 ...

Home & Garden John Deere 5 speed Transmission Repair Parts ...

Home & Garden John Deere 5 speed Transmission Repair Parts ...

JX75) - CASE IH TRACTOR - TIER 1/TIER 2 (11/02-6/06) (0.20.3 ...

JX75) - CASE IH TRACTOR - TIER 1/TIER 2 (11/02-6/06) (0.20.3 ...

Mégane Classic-Estate, KA0S, Manual, 21 Manual gearbox / Gear ...

Mégane Classic-Estate, KA0S, Manual, 21 Manual gearbox / Gear ...

John Deere Recoil Starter Assembly - AM116737

John Deere Recoil Starter Assembly - AM116737

John Deere 5 speed Transmission Repair Parts 14SB JX75 See photos &  description | eBay

John Deere 5 speed Transmission Repair Parts 14SB JX75 See photos & description | eBay

JOHN DEERE JX85 JX75 JE75 14SB 14SE KAWASAKI MIKUNI CARBURETOR CLEANING -  Easy Tune Up

JOHN DEERE JX85 JX75 JE75 14SB 14SE KAWASAKI MIKUNI CARBURETOR CLEANING - Easy Tune Up

Amazon.com : M77167 John Deere Genuine OEM Belt JA 62 65 JE ...

Amazon.com : M77167 John Deere Genuine OEM Belt JA 62 65 JE ...

Ersatzteile für Rasen- und Grundstückspflege | John Deere DE

Ersatzteile für Rasen- und Grundstückspflege | John Deere DE

Replaces John Deere JX75 Lawn Mower Carburetor - Mower Parts Land

Replaces John Deere JX75 Lawn Mower Carburetor - Mower Parts Land

JX75) - CASE IH TRACTOR - TIER 1/TIER 2 (11/02-6/06) (06 ...

JX75) - CASE IH TRACTOR - TIER 1/TIER 2 (11/02-6/06) (06 ...

John Deere JX75 21-IN, Walk-Behind Rotary Mowers (Cast Deck ...

John Deere JX75 21-IN, Walk-Behind Rotary Mowers (Cast Deck ...

my beautiful john deere jx75 transmission issues | My Tractor ...

my beautiful john deere jx75 transmission issues | My Tractor ...

John Deere 2010 Bad?? - TractorByNet

John Deere 2010 Bad?? - TractorByNet

John Deere JX75 21-IN, Walk-Behind Rotary Mowers (Cast Deck ...

John Deere JX75 21-IN, Walk-Behind Rotary Mowers (Cast Deck ...

John Deere JX75, JA62 Walk-Behind Rotary Mowers TM2208 Technical Manual PDF

John Deere JX75, JA62 Walk-Behind Rotary Mowers TM2208 Technical Manual PDF

Comments

Popular posts from this blog

42 endomembrane system diagram

40 shovelhead oil line routing diagram

40 fn fal parts diagram