41 ruckus wiring diagram
data:image/png;base64,iVBORw0KGgoAAAANSUhEUgAAAKAAAAB4CAYAAAB1ovlvAAAAAXNSR0IArs4c6QAAArNJREFUeF7t1zFqKlEAhtEbTe8CXJO1YBFtXEd2lE24G+1FBZmH6VIkxSv8QM5UFgM ... Jun 30, 2012 · Please, do not email me asking for wiring diagrams. I don’t know much about any scooters other than the Honda Ruckus. I also did not make this wiring diagram. Click here to view a complete wiring diagram for the Honda Ruckus and Zoomer scooters. This schematic was designed specifically for the 2003-2005 models but is useful for others, too.
Dec 02, 2020 · Honda Ruckus Wiring Diagram. Print the wiring diagram off plus use highlighters to trace the signal. When you make use of your finger or perhaps the actual circuit with your eyes, it is easy to mistrace the circuit. 1 trick that We 2 to printing a similar wiring plan off twice. Upon one, I’ll trace the current movement, how it operates, and ...

Ruckus wiring diagram
6.12.2011 · honda civic / del sol (1992 - 2000) - [faq] 96-00 auto to manual swap in full detail!! (44pics) - *****read before you read the thread!!!! if you have a question for me directly please pm me. if you are going to pm me make sure your inbox takes messages back, i will only try one time if its full i will not... Honda Ruckus Wiring Diagram - Free download as PDF File (.pdf) or read online for free. Honda Ruckus Wiring Diagram from i.pinimg.com Print the cabling diagram off in addition to use highlighters in order to trace the circuit. When you make use of your finger or follow the circuit along with your eyes, it is easy to mistrace the circuit. One trick that We 2 to printing a similar wiring diagram off twice.
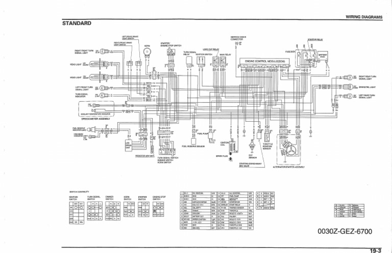
Ruckus wiring diagram. Symposia. ITMAT symposia enlist outstanding speakers from the US and abroad to address topics of direct relevance to translational science. Read more 2.4.2021 · On storia dell'arte cummins m11 wiring diagram fahrplan salzburg linie 12 temos que ser um fernandinho ouvir musica kuzey guney models wilhelmina education board usa museum buurtspoorweg thomas de trein lila oukaci 12/1a. On st kilda rd. Honda Ruckus NPS50 CARBURETOR Parts at schematron.org Use our comprehensive OEM schematic diagrams to find the exact parts you need to. Honda Bystarter, Auto (GEV) is used in Carburetor assembly for Honda Ruckus for Honda Ruckus (NPS50), Carburetor assembly for Honda Metropolitan (CHF50S) and This part is number on this diagram. wiring diagrams load cut relay starter/ engine stop switch turn signal relay ignition switch right rear turn signal light brake/tail light left rear turn signal light 12v 23w 12v 271bw 23w 1-5 o o s g w 12v 1.7w glai cool-amt temperature indicator speedometer assembly led drive unit horn switch lg ignition coil spark plug fuel reserve (led)
The Cyclepedia Honda NPS50 Ruckus 50 scooter online service manual features detailed full-color photographs and color wiring diagrams, complete specifications with step-by-step procedures performed and written by a veteran Honda dealer trained motorcycle technician. Honda Ruckus Wiring Diagram - Free download as PDF File (.pdf) or read online for free. Mar 12, 2019 · honda ruckus wiring diagram – You will want an extensive, expert, and easy to understand Wiring Diagram. With such an illustrative guidebook, you are going to be able to troubleshoot, stop, and total your tasks with ease. Not just will it help you attain your desired outcomes quicker, but also make the entire process easier for everyone. Blow-by can also condense in the crankcase and settle inside your cylinders and head, lowering the octane of your gasoline. I didn’t even make this wiring diagram. Mar 30, 2017 · An alternative to GY6 swapping a Honda Ruckus is doing a big bore kit on the stock Ruckus motor. It also fits for most China made 150cc vehicles.
27.5.2014 · I totally agree with your wiring diagram! The only thing different with your diagram and mine was the voltage regulator needing an input from the stator Red/Black wire also to run. But again that doesn’t seem right because the voltage regulator and the cdi are to different circuits and it should not effect the CDI if the VR isn’t even hooked up at all. This is the most complete Service Repair Manual for the 2003-2007 Honda NPS50 Ruckus ever compiled by mankind. This DOWNLOAD contains of high quality diagrams and instructions on how to service and repair your 2003-2007 Honda NPS50 Ruckus from the front bumper to the rear. This is a must for the Do-It-Yourselfer! You will not be dissatisfied. Honda Ruckus Wiring Diagram - Free download as PDF File (.pdf) or read online for free. Enterprise LAN & WLAN | RUCKUS® ... Wiring T568B: Dimensions. Cable Assembly Length Range (m) ... Wiring Diagram. Click on image to enlarge. Close Modal. Electrical Specifications. dc Resistance, maximum
HistoryNet is the world’s largest publisher of best-selling history magazines. Our popular titles feature in-depth storytelling and iconic imagery to engage and inform on the people, the wars and the events that shaped America and the world.
Latest information about coronavirus (COVID-19), online services and MyAccount, customer services and how to make a complaint.
Motorcycle Manuals, carl salter, Website about motorbikes. Free Motorcycle Manuals for download . Lots of people charge for motorcycle service and workshop manuals online which is a bit cheeky I reckon as they are freely available all over the internet. £5 each online or download them in PDF format for free here!!
Ruckus wiring diagram. J. Jake Lindquist. 16 followers. Electrical Circuit Diagram. Electrical Wiring Diagram. Ford Focus Engine. 150cc Go Kart. Trailer Light Wiring. Light Switch Wiring. Boat Wiring. Motorcycle Wiring. More information.... More like this. Motorcycle Camping. Bobber Motorcycle ...
Jan 10, 2022 · Downloads: 146. HONDA RUCKUS WIRING DIAGRAM 03 Pdf (honda_ruckus_8980.pdf) Download. HONDA RUCKUS WIRING DIAGRAM 03 PDF. This is the most complete service repair manual for the 2003-2007 honda nps50 ruckus ever compiled by mankind. I don't see the point in going big bore on a 50cc 4 stroke. Once you choose the honda scooter parts catalog needed ...
Honda Ruckus Wiring Diagram from i.pinimg.com Print the cabling diagram off in addition to use highlighters in order to trace the circuit. When you make use of your finger or follow the circuit along with your eyes, it is easy to mistrace the circuit. One trick that We 2 to printing a similar wiring diagram off twice.
Honda Ruckus Wiring Diagram - Free download as PDF File (.pdf) or read online for free.
6.12.2011 · honda civic / del sol (1992 - 2000) - [faq] 96-00 auto to manual swap in full detail!! (44pics) - *****read before you read the thread!!!! if you have a question for me directly please pm me. if you are going to pm me make sure your inbox takes messages back, i will only try one time if its full i will not...
Comments
Post a Comment