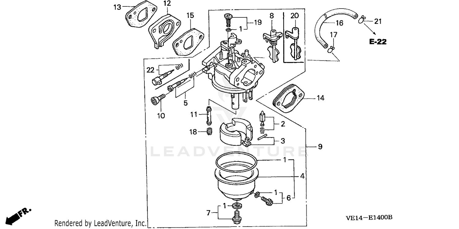
41 honda lawn mower carburetor diagram
Description: Honda Hrm215 Sxa Lawn Mower, Usa, Vin# Mzbb-6000001 To Mzbb intended for Honda Small Engine Carburetor Diagram, image size 1180 X 590 px Description : Plano Power Equipment Online Store – Honda Hrr216, Hrs216, Hrb216 throughout Honda Small Engine Carburetor Diagram, image size 524 X 364 px Aug 24, 2020 · Honda hrr216 sda lawn mower usa vin mzcg 6000001 to honda hrb215 pxa lawn mower usa vin mzba 6000001 to honda hr173 pda lawn mower usa vin ma2r 6000001 honda hr194 pxa lawn mower jpn vin 1000001 parts diagram. Whats people lookup in this blog: Honda Lawn Mower Carburetor Parts Diagram
Oct 15, 2018 · Honda Lawn Mower Carburetor Honda Gcv Carburetor you will need your Model & serial number off of the engine to find the diagram. I have Honda HRTS3DA powered by GCV engine. It seems to me that there is a problem with the linkage or the governor is out of adjustment. I don't have a diagram, is there a spring that goes around the bolt that.

Honda lawn mower carburetor diagram
Feb 05, 2019 · 27 Toro Lawn Mower Carburetor Linkage Diagram Wiring List. Honda Lawn Mower Won T Start Lawnmowerfixed. Honda Engines Gx200ut Vsd2 Engine Tha Vin Gcaht. Tg 4084 Craftsman Lawn Mower Throttle Assembly Diagram Free. Image result for honda gcv160 carburetor linkage diagram engine briggs and stratton throttle linkage diagram placement 28 honda lawn ... A Honda mower’s carburetor functions by taking in the mower’s fuel through small jets, and then using those jets to vaporize the fuel and eventually spark it so that it turns into energy. For this reason, the jets within a carburetor can become quite clogged in a small amount of time, especially if the gasoline they’re taking in is not ... GSV190 (Generator, Tiller, Snowblower, Pump, Lawn Mower, etc.) GX360KO. 4-stroke, air-cooled OHC. (Overhead Cam). • GC/GS/GCV/GSV engine.308 pages
Honda lawn mower carburetor diagram. Adjustments to a Honda lawn mower's carburetor should be made after it has been cleaned. If the carb is dirty, adjustments will be temporary. You will need some ...1 Sept 2020 · Uploaded by eReplacementParts.com GSV190 (Generator, Tiller, Snowblower, Pump, Lawn Mower, etc.) GX360KO. 4-stroke, air-cooled OHC. (Overhead Cam). • GC/GS/GCV/GSV engine.308 pages A Honda mower’s carburetor functions by taking in the mower’s fuel through small jets, and then using those jets to vaporize the fuel and eventually spark it so that it turns into energy. For this reason, the jets within a carburetor can become quite clogged in a small amount of time, especially if the gasoline they’re taking in is not ... Feb 05, 2019 · 27 Toro Lawn Mower Carburetor Linkage Diagram Wiring List. Honda Lawn Mower Won T Start Lawnmowerfixed. Honda Engines Gx200ut Vsd2 Engine Tha Vin Gcaht. Tg 4084 Craftsman Lawn Mower Throttle Assembly Diagram Free. Image result for honda gcv160 carburetor linkage diagram engine briggs and stratton throttle linkage diagram placement 28 honda lawn ...
Comments
Post a Comment